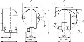
PMAFIX VOD: conexiones ángulo de 90°, con brida
Estos tipos de conectores PMAFIX son adecuados para un rango amplio de aplicaciones en conjunto con tubos ondulados PMAFLEX y permiten el rendimiento más alto en seguridad é estanqueidad.
Caracteristicas:
- IP66: accesorio con cierre universal de seguridad premontado (AFN2), brida con carcasa protectora (OR)
- IP68: accesorio con cierre oval (OVN2), tubo y brida con carcasa protectora (NVN3, OR)