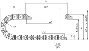
Serie 240: cadena portacables de montaje fácil y con distribución interior flexible. Opción con peine integrado. Sistema de apertura en el radio interior. Altura interior: 25 mm.

Modelo descatalogado
240.02.250.0 product image
igus-icon-lupe
240.02.250.0 technical drawing
igus-icon-lupe
1 de 2
240.02.250.0 product image
240.02.250.0 technical drawing
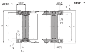
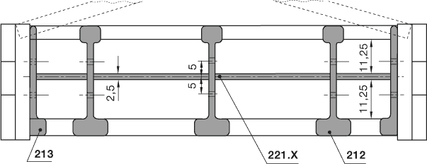
Altura interior [Hi]
Altura interior [Hi]
0.98 in (25 mm)
Max. diámetro del cable
Max. diámetro del cable
0.91 in (23 mm)
Principio de apertura
Principio de apertura
Se puede abrir desde el radio interior
Ancho interior [Bi]
Ancho interior [Bi]
0.98 in (25 mm)
Radio de curvatura [R]
Radio de curvatura [R]
9.84 in (250 mm)

Consultoría

Estaría encantado de responder a sus preguntas en persona

Victor Alcantara
Victor Alcantara

igus-icon-phone+52 728 284-3185

Consulta y entrega

En persona:
Lunes a viernes: 7 a. m. - 8 p. m.
Sábado: 8 a. m. - 12 p. m.
En línea:
Servicio de chat
Lunes a jueves: 8 a. m. - 6 p. m.
Viernes: 8 a. m. - 5 p. m.
Servicio WhatsApp
Lunes a Viernes: 8h a 16h
¿Qué le parece la página web de igus? Denos su opinión.

Sobre igus®

Servicios

Contacto

Nuestros métodos de pago

  • Pago por adelantado
  • Compra a cuenta
  • PayPal
  • Visa
  • Mastercard
  • AMEX

Síganos

  • Facebook
  • Instagram
  • LinkedIn
  • YouTube

Manténgase informado de las últimas novedades de igus® con nuestra Newsletter.

igus-icon-globeIdioma:Español|País:México

Los términos "Apiro", "AutoChain", "CFRIP", "chainflex", "chainge", "chains for cranes", "ConProtect", "cradle-chain", "CTD", "drygear", "drylin", "dryspin", "dry-tech", "dryway", "easy chain", "e-chain", "e-chain systems", "e-ketten", "e-kettensysteme", "e-loop", "energy chain", "energy chain systems", "enjoyneering", "e-skin", "e-spool", "fixflex", "flizz", "i.Cee", "ibow", "igear", "iglidur", "igubal", "igumid", "igus", "igus improves what moves", "igus:bike", "igusGO", "igutex", "iguverse", "iguversum", "kineKIT", "kopla", "manus", "motion plastics", "motion polymers", "motionary", "plastics for longer life", "print2mold", "Rawbot", "RBTX", "readycable", "readychain", "ReBeL", "ReCyycle", "reguse", "robolink", "Rohbot", "savfe", "speedigus", "superwise", "take the dryway", "tribofilament", "tribotape", "triflex", "twisterchain", "when it moves, igus improves", "xirodur", "xiros" y "yes" son marcas comerciales legalmente protegidas de igus® SE & Co. KG en la República Federal de Alemania y otros países. Esta es una lista no exhaustiva de las marcas comerciales de igus SE & Co. KG o de empresas afiliadas de igus en Alemania, la Unión Europea, EE.UU. y/u otros países o jurisdicciones.

igus® SE & Co. KG puntualiza que no vende ningún producto de las empresas Allen Bradley, B&R, Baumüller, Beckhoff, Lahr, Control Techniques, Danaher Motion, ELAU, FAGOR, FANUC, Festo, Heidenhain, Jetter, Lenze, LinMot, LTi DRiVES, Mitsubishi, NUM, Parker, Bosch Rexroth, SEW, Siemens, Stöber y cualquier otro fabricante mencionado en esta página web. Los productos que ofrece igus® S.L.U. son los de igus® SE & Co. KG.