Here you can configure your Energy Chain System® individually. All entries will be copied to the Bill of Materials shown at the bottom of this page.
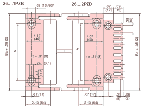
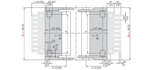
Series Z26-3 - to be filled in the inner radius
1. Limited torsion tolerance
2. Large pins for long service life
3. Cable-friendly interior
4. Integrated strain relief option
5. “E” Series features split crossbar along the outer radius
6. “Z” Series features split crossbar along the inner radius
7. Dirt-repellent exterior
8. Very easy to fill - cables only have to be pushed in
9. 1-, 2- or 3-chamber system available
10. Patented push button principle holds the links together