MODELO DESCATALOGADO
Disponible con recargo de precio y un plazo de entrega mayor.
Para nuevos diseños se recomienda el uso de la nueva cadena portacables serie E4.56. Ofrece +25% de longitud autosoportada, mayor estabilidad y resistencia a la tracción, y las mismas dimensiones (también de conexión). En caso de cualquier duda, póngase en contacto con igus®. Gracias por su comprensión.
Cadena portacables serie E4.56
Aquí puede configurar su sistema de cadenas portacables. Todos los datos introducidos y todas las modificaciones se transfieren a la lista de piezas que se encuentra al final de la página.
Serie 40 - cadena portacable con un travesaño cada dos eslabones
1. Terminal KMA de montaje
2. Disponible Terminal rígido u oscilante
3. R88: giratorio y tapa desmontable.
4. R88: bandejas desmontables
5. Puede combinarse una cadena portacables con un tubo portacables
6. Los peines de fijación pueden integrarse en los terminales
7. 40/41: Travesaños abatibles tanto en el radio interior como en el exterior
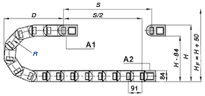
Anchuras interiores disponibles Bi: de 50 a 600 mm
Radios de curvatura disponibles R: 135 hasta 500 mm
Paso: 91 mm / eslabón = 11 eslabones/m