Cambiar idioma :

The igus® offshore chain OSC is used under the toughest conditions, where safety, a long service life and harsh environmental influences are decisive criteria for the function of the system. The OSC combines the advantages of a plastic e-chain® with those of a high strength pull rope, which is guided in both chain links. Tensile forces are absorbed by the plastic fiber rope and transmitted to the mounting brackets. The interior separation can be modularly adapted to the project and cable package. The e-chain® offers a bend radius of 750mm for cables and hoses.

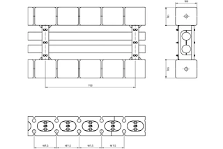
The interior separation of the energy chain can be individually adapted to the project and the cables/hoses to be used. The cables are arranged side by side and separated from each other by a PU body (in the form of a comb). The interior separation block is inserted into a steel frame and closed from above with screws and extender crossbars.
The chain links of the OSC are made of a foamed-on PU material and are therefore shock-resistant. The plastic rope runs inside the chain links and is clamped several times in each chain link. All parts are screwed together and can be double secured if necessary.
The high-strength plastic fiber rope absorbs any tensile forces that occur and transmits them to the mounting brackets. This keeps the cables free from any tensile strain. The pull rope can take up tensile forces up to 187kN.
The plastic fiber rope ends in the two steel mounting brackets. The strain relief of the cables is also located at this point. The mounting bracket can be screwed to the customer structure using through holes.

| Cable diameter | Hi [mm] | Ha [mm] | Pitch [mm] | Bend radius [mm] | Weight [kg/m] | Work load [kN] |
|---|---|---|---|---|---|---|
| Max. 80mm | Max. 80mm | 180 mm | 187,5 / 750 | 750 mm | 40kg/m | 187kN |

Offshore chain OSC is used in the floating storage unit at the Liquefied Natural Gas (LNG) terminal.
igus® has developed the offshore chain so that cables even with large cross sections and heavy weight can be guided safely in hanging applications. This e-chain® is the strongest and most robust e-chain® from igus®, specially developed to withstand high cable weights or even wind loads. With the plastic ropes installed inside the chain links, the e-chain® can absorb tensile loads of up to 187kN.
The e-chain® is openable from above by loosening the screws on the crossbar. This gives you access to the cable package and you can swap accordingly. Another possibility is to pull the cables lengthwise through the OSC.
All parts of the chain are bolted together, secured with wedge washers and glued. If required, these connections can also be made captive with a cotter pin as a double screw lock.
The new energy supply system from igus is built around a high-tensile plastic rope that absorbs the tensile forces on the system. The rope is composed of a synthetic plastic fiber and is therefore shatterproof, weather-resistant, flexible and corrosion-free. This enables the e-chain® to carry tensile loads of up to 187kN.
The delivery of the OSC chain depends on the chain length. Usually the OSC chain is delivered pre-assembled, with final assembly at the customer's site. Our installation team is happy to take care of the assembly.

Servicio al Cliente:
Teléfono: De lunes a viernes, de 8:00 a 20:00
Chat en vivo: 24 horas