MANGUERA/MONTAJE Y TUERCAS DE TORNILLO DE PLOMO ACME CON BRIDA
MANGA DE TORNILLO DE PLOMO ACME/Tuercas de montaje
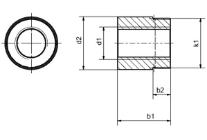
Tornillo de plomo termoplástico iglide® J autolubricante iglide® J Tuercas SacMe N. Dimensiones estándar americanaMonte tuercas con OD roscado para un fácil montaje.
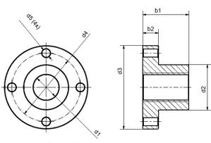
Tuercas de tornillo de plomo con brida ACME
Tornillo de plomo termoplástico iglide® J autolubricantes iglide® J Tuercas de brida Sacme N. American Standard Dimensions One Piece Bride Brida disponibles.
Contacto
¿Preguntas o información sobre productos? Por favor, póngase en contacto con: