dryspin® - Tuerca de rosca de brida (tipo F) material iglide® J

Tuerca de rosca de plomo iglide J
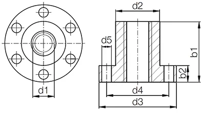
diagrama de la tuerca del tornillo de plomo de brida iglide J
RoHS-II
Estándares y Certificados

Contacto

¿Preguntas o información sobre productos? Por favor, póngase en contacto con:

Profile
igus® México.+52 728 2843185Correo

Servicio al cliente