Cambiar idioma :
Pedir un sistema completo

Nota:
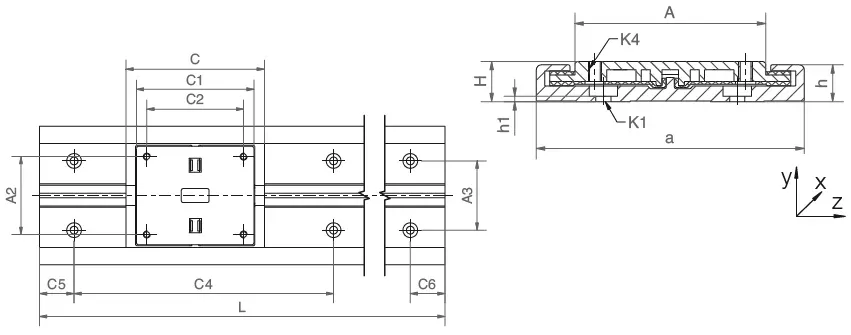
Puede encontrar información detallada en los dibujos a continuación y también en las páginas que se enumeran a continuación. Puede encontrar información más precisa sobre los tipos de rodamientos flotantes dentro de las reglas de construcción.



Servicio al Cliente:
Teléfono: De lunes a viernes, de 8:00 a 20:00
Chat en vivo: 24 horas