Cambiar idioma :

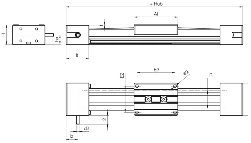
Los ejes lineales tipo drylin® ZLW " EX " han sido desarrollados para aplicaciones en entornos altamente sensibles como la producción de harina, carpintería o tiendas de pinturacon requisitos especiales de Ex. El eje está configurado para la longitud de carrera individual con forros dry-tech®, una correa dentada conductora y la entrada a tierra.
Conexión a tierra para reducción de voltaje
Longitudes de carrera individuales hasta máx. 2,000 mm
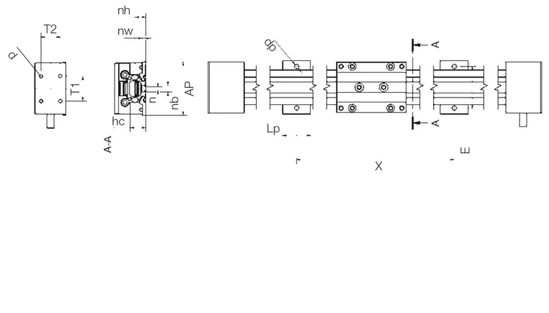
Longitudes de carro: 100/150/200 mm
Muchos kits de motor para la adaptación de motores escalonados y de corriente continua
Los cables que se muestran en la foto no están incluidos
Recomendamos quitar el anodizado de una sección del riel de soporte y unir el cable de
conexión a tierra detrás de las tuercas de ranura suministradas Recomendamos que se conecte un cable de tierra en el área metálica dentro del tapón del mecanismo de polea, esto es posible quitando el extremo de las tuercas de ranura suministradas Recomendamos que se conecte un cable de tierra en el área metálica dentro del tapón del mecanismo de polea, esto es posible quitando el extremo del tapón del mecanismo de polea. de cualquiera de los bloques finales
Más información:

Servicio al Cliente:
Teléfono: De lunes a viernes, de 8:00 a 20:00
Chat en vivo: 24 horas