Cambiar idioma :

Características especiales
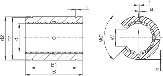
Adaptador de aluminio anodizado abierto para ejes soportados
Dimensionalmente intercambiable con rodamientos de bolas recirculantes
Equipado con forro JUMO-20 hecho de iglide® J
Agujero de carcasa recomendado
H7 Cojinete asegurado con tornillos de fijación (no incluido en la entrega)

Los rodamientos de la serie OJUM-01 se pueden combinar con:

Servicio al Cliente:
Teléfono: De lunes a viernes, de 8:00 a 20:00
Chat en vivo: 24 horas