drylin® R - Rodamientos lisos lineales autoalineables Baja holgura, abiertos, OJUM-23, mm

Rodamiento lineal drylin R OJUM
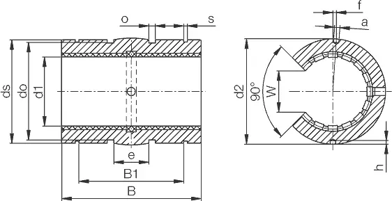
  • Adaptador de aluminio anodizado abierto con diámetro exterior reducido, área esférica en el diámetro exterior para compensación automática de alineación, Juntas tóricas para asientos elásticos, anodizado duro
  • Las dimensiones corresponden al estándar para recirculación de rodamientos de bolas
  • Equipado con forro JUMO-20 hecho de iglide® J
  • Agujero de carcasa
  • recomendado H7 Fijación por pernos de montaje (no incluido en la entrega)
drylin R OJUM diagrama
drylin R OJUM diagrama
drylin R

Contacto

¿Preguntas o información sobre productos? Por favor, póngase en contacto con:

Profile
igus® México.+52 728 2843185Correo

Servicio al cliente