Cambiar idioma :
sistemas lineales DryLin® SLW... 7 tamaños de instalación, configuraciones personalizadas,
entregado en 2-4 días

Los sistemas lineales igus® SLW se basan en el kit de construcción lineal DryLin® W y en plásticos de alto rendimiento dry-tech® autolubricantes y libres de mantenimiento. El lubricante se incorpora en el material del rodamiento, lo que hace que los materiales del rodamiento sean adecuados para condiciones de funcionamiento en seco. No tienen mantenimiento durante toda su vida útil. Los sistemas lineales listos para instalar están disponibles en 2-4 días
.
Las partículas son repelidas de la superficie de contacto por el movimiento
.
Materiales para cualquier material del eje, desgaste específico superior

Varios materiales de cojinetes disponibles
Fundición a presión de zinc: cojinete estándar rentable
Aluminio: bajo peso componente
Acero inoxidable: resistente a la corrosión y también para altas temperaturas
Mecanismo de ajuste: Espacio libre ajustable manual mediante la función “Turn-to-fit
” con llave allen
... Aluminio duro anodizado...
Acero inoxidable (tamaño 1040 & 2080
)
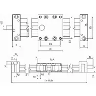
Los
módulos lineales SLW están disponibles en 7 tamaños de instalación. Disponible en tamaños de instalación 06 -25, la serie tipo SLW tiene un módulo lineal que coincide con el tamaño de instalación para sus aplicaciones
.

Los módulos lineales SLW se pueden instalar con carros en varias longitudes para el mejor soporte de torque. Una solución de múltiples carros es posible en cualquier tamaño de instalación
.
Clave de pedido

Servicio al Cliente:
Teléfono: De lunes a viernes, de 8:00 a 20:00
Chat en vivo: 24 horas