Cambiar idioma :

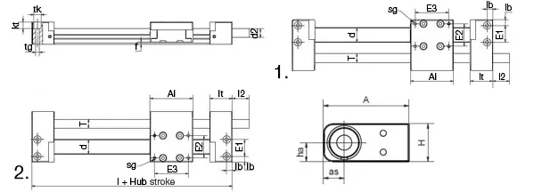
perfil muy bajo, posicionamiento lateral del tornillo de plomo y un diseño elegante son solo algunas de las razones por las que el módulo lineal drylin® SLT recibió el premio iF 2014. Desde una perspectiva técnica, el sistema impresiona con un accionamiento por husillo de plomo montado en rodamientos de bolas y roscas trapezoidales o de alta hélice para operación motorizada y manual. El nuevo tamaño 15 se basa en el sistema de guía lineal miniatura drylin® T en tamaño 15 con el carro de rodamiento ajustable TWE-04-15.
Diseño extremadamente plano debido a la transmisión por tornillo de plomo lateral
Autolubricante, resistente a la corrosión y ligero
Paso de tornillo de plomo variable TR12x3, TR12x6p3, SG12x25
Carro guía miniatura drylin® T ajustable TWE-04-15
Tornillos de plomo con opción montada izquierda o
derecha **Aplicaciones típicas: **Ingeniería mecánica, tecnología médica, automatización de laboratorio

1. Eje de transmisión derecho
2. Eje de transmisión izquierdo
Más información:
Clave de pedido****SLT-BB-0412-ER-S0015RG-xxx

Plazo de entrega 3-8 días

Servicio al Cliente:
Teléfono: De lunes a viernes, de 8:00 a 20:00
Chat en vivo: 24 horas