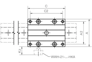
Ahora disponible en el sistema lineal drylin® W, la nueva cámara deslizante con cojinetes híbridos y función integrada de sujeción manual está diseñada para el área Hágalo usted mismo. El carro premontado tiene en el centro un orificio pasante de 3/8 pulgadas (ø10mm) para montar la cámara. Debido a los rodamientos de doble rodillo y varios anchos de riel, los carros ofrecen una amplia superficie de soporte de carga para
muchos tipos de cámaras. Carro
completo premontado
Fácil, ajuste suave
Operación silenciosa
Ligero debido al uso de plásticos y aluminio
**Aplicaciones típicas: **Ajustes y movimientos de cámara
,...