Cambiar idioma :

Un diseño modular para ajustes fáciles a un precio rentable. Estos mensajes clave caracterizan los ejes lineales drylin® de la serie de tipo de automatización de bajo costo. Para el ZLW-0630-ECO, igus® ofrece nuevas opciones de kit de motor para conectar motores paso a paso y motores DC. El eje motorizado perfecto listo para instalar con correa dentada para principiantes.
Kits de motor para motores paso a paso NEMA y DCMotors
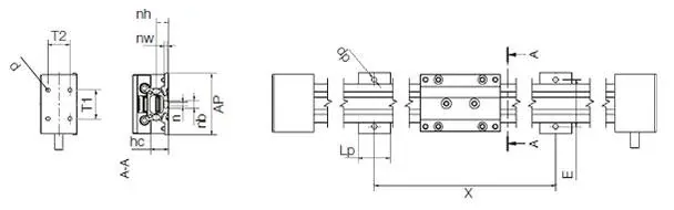
Brida de motor rentable hecha de lámina plegada
Longitudes de carrera variables
Impulsión: correa dentada o tornillo de plomo
Autolubricante y libre de mantenimiento, probado
**Aplicaciones típicas: **Ajustes de sensor, tecnología de cámara, construcción de maquinas automatizadas,...


Dimensiones de montaje [mm]
Más información:

Servicio al Cliente:
Teléfono: De lunes a viernes, de 8:00 a 20:00
Chat en vivo: 24 horas