Cambiar idioma :


Un módulo lineal con dos direcciones de movimiento que se pueden controlar por separado. De esta manera, ambas unidades se ubican fuera del área de trabajo. Esto ahorra espacio y no se mueve el peso innecesario del motor. La guía lineal es resistente al par y gracias a la construcción modular compacta, se pueden alcanzar altas velocidades con baja potencia.
Autolubricante
Silencioso y ligero Sin
electrónica en el área de trabajo
Estructura
compacta Resistente a la corrosión
**Aplicaciones típicas: **Dispositivos médicos, Pick & Place, sistemas de agarre

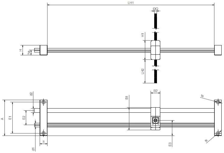
Dimensiones [mm]
Parte No.
máx. F axial
LH1
LH2
H
H1
ha
A
E1
E2
E3
B1
B2
lt
d1
d2
ts
[N]
SLQ-1210-...
200
500
200
30
58
15
108
94
44
46,5
68
28
22
12
12
6,6
[Wakoadd artnr="RSLQ-1210-..." text="Request"]

Servicio al Cliente:
Teléfono: De lunes a viernes, de 8:00 a 20:00
Chat en vivo: 24 horas