Cambiar idioma :
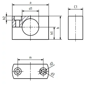
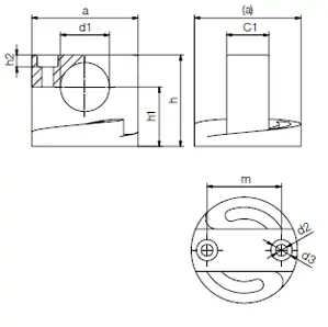
El bloque de carcasa universal ajustable en altura para todos los materiales iglide® es fácil de instalar y de uso flexible. — El ajuste de altura permite una adaptación individual a las condiciones respectivas. Combinable con todos los cojinetes lisos iglide®
.
Compensa las diferencias de altura
Fácil instalación
Resistencia absoluta a la corrosión
Peso
muy bajo Peso
Resistencia química
Para aplicaciones subacuáticas
Material: iguton G
**Aplicaciones típicas: **Fabricación de equipos, fabricación de cuadras, manejo de materiales,...
Este producto es una preproducción (producto piloto). Por favor, póngase en contacto con nosotros si tiene alguna sugerencia
Inicialmente disponible para rodamientos lisos iglide® de tamaño de instalación:
SM-2023-20

Entrega a
partir de mayo

Servicio al Cliente:
Teléfono: De lunes a viernes, de 8:00 a 20:00
Chat en vivo: 24 horas