Cambiar idioma :

**Sugerencia:**La información
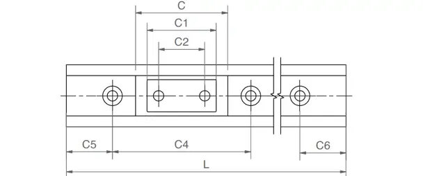
detallada se puede encontrar arriba en los dibujos y tablas, así como en las páginas mencionadas a continuación. Puede obtener especificaciones precisas sobre las opciones de rodamientos flotantes dentro de las reglas de diseño.

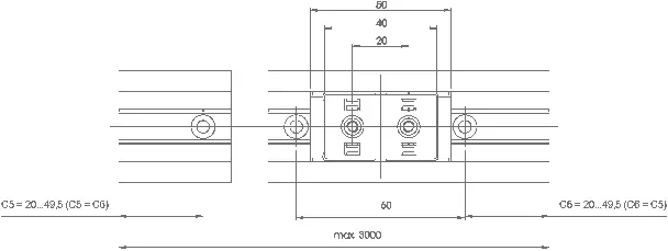
Longitud del carro en la versión NW-12-40:52 mm

A = M4 (par de apriete máx. 1,2 Nm)
B = Taladros min. Ø 6,5
C = Para tornillos de máquina M4, DIN 7984/DIN 6912/DIN 84, EN ISO 1707/EN ISO 7045
Capacidad de carga estática y momentos de inercia de un área

**Opcional:**Tapa de
extremo para riel,
pedido no.
[Wakoadd artnr="NSK-40" text="NSK-40"]

Servicio al Cliente:
Teléfono: De lunes a viernes, de 8:00 a 20:00
Chat en vivo: 24 horas