Cambiar idioma :

**Sugerencia:**La información
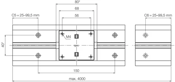
detallada se puede encontrar a continuación en los dibujos, así como en las páginas mencionadas a continuación. Puede obtener especificaciones precisas sobre las opciones de rodamientos flotantes dentro de las reglas de diseño.

* Longitud del carro en la versión NW-12-80 = 83 mm
M4 (par de apriete máx. 1.2 Nm)

Servicio al Cliente:
Teléfono: De lunes a viernes, de 8:00 a 20:00
Chat en vivo: 24 horas