Cambiar idioma :

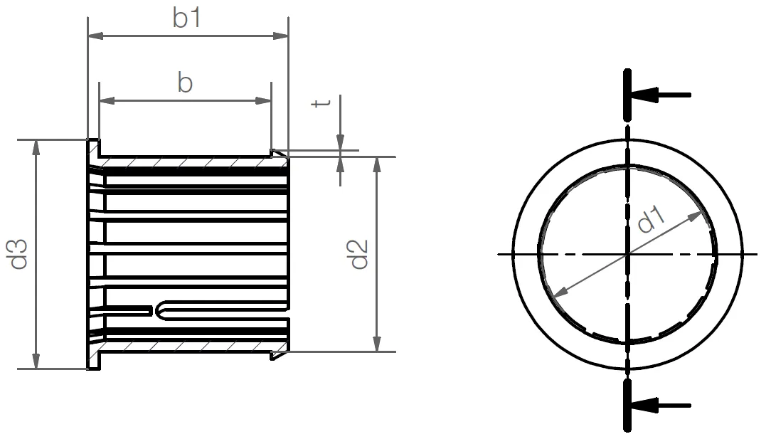
La instalación rápida para espesores de lámina de 14 a 30 mm caracterizan los nuevos forros lineales drylin® JUCM. Los huecos permiten un montaje rápido con clip. El doble collar asegura el rodamiento con un ajuste positivo en el soporte de sujeción
.
Auolubricante y libre de mantenimiento
Fácil de ajustar
Bajo precio de la carcasa de bajo precio
No se requiere aseguramiento axial
Buena resistencia química y adecuada para lavado
**Aplicaciones típicas: **Embalaje, ajustes de formato y callejón, construcción de máquinas automatizadas (construcciones de chapa de hierro),
soluciones caseras,...
Más información:

Entrega
desde stockex stock

Servicio al Cliente:
Teléfono: De lunes a viernes, de 8:00 a 20:00
Chat en vivo: 24 horas